Продажа ЖБИ в Верее и Московской области
+7 (495) 118-92-43
Ежедневно: 8:00 - 21:00
0 0

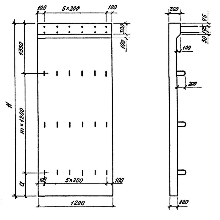
Плита фундаментная плоская ППФ 15-81 ТУ

Yandex.Market
  • В наличии 160 шт
    В среднем на нашем предприятии производится от 100 до 500 ЖБИ изделий в день.
  • Контроль качества на каждом этапе
    Строгое соблюдение пропорций ЖБИ изделий на предприятии является для нас очень важным аспектом.
  • Производство от 1 дня
9535 ₽

Плита фундаментная плоская ППФ 15-81 ТУ представляет собой железобетонное изделие, предназначенное для использования в строительстве фундаментов зданий и сооружений. Она имеет прочную и устойчивую конструкцию, способную выдерживать значительные нагрузки. Плита изготавливается из качественных материалов с соблюдением всех стандартов и технических условий.

Плита фундаментная плоская ППФ 15-81 ТУ широко используется в строительстве как основной элемент фундаментной конструкции. Она применяется для создания прочной и надежной опоры под стены зданий, обеспечивая равномерное распределение нагрузок и защиту от деформаций. Это изделие подходит для строительства как жилых, так и промышленных объектов, гарантируя долговечность и надежность всей конструкции.

Объём, м3 2.480
Ширина, мм 300
Масса, т 6.2
Длина, мм 1500
Высота, мм 8100
Категория Плиты фундаментные плоские
ГОСТ ТУ
Способ доставки MAX длина груза, м Стоимость доставки
Машина - до 1,5 тн до 18 м3 4 от 2 200 ₽
Машина - до 2,5 тн до 32 м3 6 от 3 000 ₽
Машина - до 5 тн до 35 м3 6 от 4 000 ₽
Машина - до 10 тн до 37 м3 8 от 6 000 ₽
Машина - до 20 тн до 80 м3 13,5 от 10 500 ₽
Манипулятор до 5 тн 6 от 7 000 ₽
Манипулятор до 10 тн 8 от 13 000 ₽
Манипулятор до 20 тн 14 от 16 000 ₽
Наименование Характеристики Цена
Плита фундаментная плоская ППФ 15-39

Длина, мм : 1500

Ширина, мм : 300

Высота, мм : 3900

6 250
Плита фундаментная плоская ППФ 15-39 ТУ

Длина, мм : 1500

Ширина, мм : 300

Высота, мм : 3900

4 685
Плита фундаментная плоская ППФ 12-75

Длина, мм : 1200

Ширина, мм : 300

Высота, мм : 7500

9 485
Плита фундаментная плоская ППФ 12-75 ТУ

Длина, мм : 1200

Ширина, мм : 300

Высота, мм : 7500

7 110
Плита фундаментная плоская ППФ 12-87

Длина, мм : 1200

Ширина, мм : 300

Высота, мм : 8700

10 975
Плита фундаментная плоская ППФ 12-87 ТУ

Длина, мм : 1200

Ширина, мм : 300

Высота, мм : 8700

8 225
Плита фундаментная плоская ППФ 15-45

Длина, мм : 1500

Ширина, мм : 300

Высота, мм : 4500

7 175
Плита фундаментная плоская ППФ 15-45 ТУ

Длина, мм : 1500

Ширина, мм : 300

Высота, мм : 4500

5 380
Плита фундаментная плоская ППФ 15-51

Длина, мм : 1500

Ширина, мм : 300

Высота, мм : 5100

8 100
Плита фундаментная плоская ППФ 15-51 ТУ

Длина, мм : 1500

Ширина, мм : 300

Высота, мм : 5100

6 070
Плита фундаментная плоская ППФ 15-63

Длина, мм : 1500

Ширина, мм : 300

Высота, мм : 6300

9 945
Плита фундаментная плоская ППФ 15-63 ТУ

Длина, мм : 1500

Ширина, мм : 300

Высота, мм : 6300

7 455
Плита фундаментная плоская ППФ 15-57 ТУ

Длина, мм : 1500

Ширина, мм : 300

Высота, мм : 5700

6 765
Плита фундаментная плоская ППФ 15-57

Длина, мм : 1500

Ширина, мм : 300

Высота, мм : 5700

9 020
Плита фундаментная плоская ППФ 15-69 ТУ

Длина, мм : 1500

Ширина, мм : 300

Высота, мм : 6900

8 150
Плита фундаментная плоская ППФ 15-69

Длина, мм : 1500

Ширина, мм : 300

Высота, мм : 6900

10 870
Плита фундаментная плоская ППФ 15-75 ТУ

Длина, мм : 1500

Ширина, мм : 300

Высота, мм : 7500

8 845
Плита фундаментная плоская ППФ 15-75

Длина, мм : 1500

Ширина, мм : 300

Высота, мм : 7500

11 795
Плита фундаментная плоская ППФ 15-87

Длина, мм : 1500

Ширина, мм : 300

Высота, мм : 8700

13 640
Плита фундаментная плоская ППФ 15-87 ТУ

Длина, мм : 1500

Ширина, мм : 300

Высота, мм : 8700

10 230
Плита фундаментная плоская ППФ 15-81

Длина, мм : 1500

Ширина, мм : 300

Высота, мм : 8100

12 720
Плита фундаментная плоская ППФ 15-81 ТУ

Длина, мм : 1500

Ширина, мм : 300

Высота, мм : 8100

9 535
Плита фундаментная плоская ППФ 9-45

Длина, мм : 900

Ширина, мм : 300

Высота, мм : 4500

4 305
Плита фундаментная плоская ППФ 9-45 ТУ

Длина, мм : 900

Ширина, мм : 300

Высота, мм : 4500

3 225
Плита фундаментная плоская ППФ 9-39

Длина, мм : 900

Ширина, мм : 300

Высота, мм : 3900

3 740
Плита фундаментная плоская ППФ 9-39 ТУ

Длина, мм : 900

Ширина, мм : 300

Высота, мм : 3900

2 805
Плита фундаментная плоская ППФ 9-51

Длина, мм : 900

Ширина, мм : 300

Высота, мм : 5100

4 865
Плита фундаментная плоская ППФ 9-51 ТУ

Длина, мм : 900

Ширина, мм : 300

Высота, мм : 5100

3 645
Плита фундаментная плоская ППФ 9-57 ТУ

Длина, мм : 900

Ширина, мм : 300

Высота, мм : 5700

4 075
Плита фундаментная плоская ППФ 9-57

Длина, мм : 900

Ширина, мм : 300

Высота, мм : 5700

5 430
Плита фундаментная плоская ППФ 9-75 ТУ

Длина, мм : 900

Ширина, мм : 300

Высота, мм : 7500

5 345
Плита фундаментная плоская ППФ 9-75

Длина, мм : 900

Ширина, мм : 300

Высота, мм : 7500

7 120
Плита фундаментная плоская ППФ 9-63

Длина, мм : 900

Ширина, мм : 300

Высота, мм : 6300

6 000
Плита фундаментная плоская ППФ 9-63 ТУ

Длина, мм : 900

Ширина, мм : 300

Высота, мм : 6300

4 495
Плита фундаментная плоская ППФ 9-69

Длина, мм : 900

Ширина, мм : 300

Высота, мм : 6900

6 565
Плита фундаментная плоская ППФ 9-69 ТУ

Длина, мм : 900

Ширина, мм : 300

Высота, мм : 6900

4 915
Плита фундаментная плоская ППФ 9-87

Длина, мм : 900

Ширина, мм : 300

Высота, мм : 8700

5 125
Плита фундаментная плоская ППФ 9-87 ТУ

Длина, мм : 900

Ширина, мм : 300

Высота, мм : 8700

3 845
Плита фундаментная плоская ППФ 9-81

Длина, мм : 900

Ширина, мм : 300

Высота, мм : 8100

7 690
Плита фундаментная плоская ППФ 9-81 ТУ

Длина, мм : 900

Ширина, мм : 300

Высота, мм : 8100

5 765
Плита фундаментная плоская ППФ 12-45

Длина, мм : 1200

Ширина, мм : 300

Высота, мм : 4500

6 375
Плита фундаментная плоская ППФ 12-57

Длина, мм : 1200

Ширина, мм : 300

Высота, мм : 5700

8 035
Никита Ильин
20.01.2025
Доставили вовремя, блоки ровные, без сколов. Монтаж прошёл без нареканий, ребята на участке хвалят.
Александр Шубин
20.01.2025
Тут нашлись все необходимые размеры, что очень упростило жизнь. Ребята выручили по срокам, задержек не было. Качество, в принципе, неплохое: арматура норм, плиты без трещин
Даниил Макаров
09.01.2025
У нас был крупный заказ на спортивный объект, требовались балки повышенной несущей способности. Здесь без проблем подобрали нужный класс бетона. Вопреки страхам, удалось уложиться в бюджет.
Данила Жданов
14.01.2025
Строим крупную автостоянку, требовались дорожные плиты с высоким запасом прочности. Тут нашли нужную марку, цена устроила. Доставили оперативно, разгрузка без проблем. Плиты ровные, стыкуются плотно, так что надеюсь прослужат долго
Андрей Семенов
20.12.2024
Заказывали дорожные плиты 2П 30-18-30 ТУ. Благодарю за быструю доставку и максимально ответственный подход к заказу в целом. Все устроило.
Гарантия качества
Заменим дефектный материал или вернём деньги
Условия возврата
Доставка и самовывоз
Вы можете заказать доставку по МСК и МО или оформить самовывоз с нашего склада в Верее
Условия доставки и самовывоза
Оптово и розничная продажа
Мы продаём товары как в розницу, так и оптом. В зависимости от объёмов заказа мы предоставляем клиентам персональные скидки

Выберите удобный способ оплаты

Оплата банковской картой
Наличными на объекте
Безналичный расчёт

Адреса

Режим работы складов: 8:00 - 21:00
Офис:
Кировская улица, 21/1, Верея
График работы офиса:
Ежедневно: 8:00 - 21:00
Номер телефона контактного центра:
+7 (495) 118-92-43
Почта для связи:
stroym@zbi-500.ru